20+ Kubota L2550 Parts
Ad Enjoy Discounts Hottest Sales On Kubota Replacement Parts. Year Range for Kubota Tractor L2550 1991.
 		 		 
 		
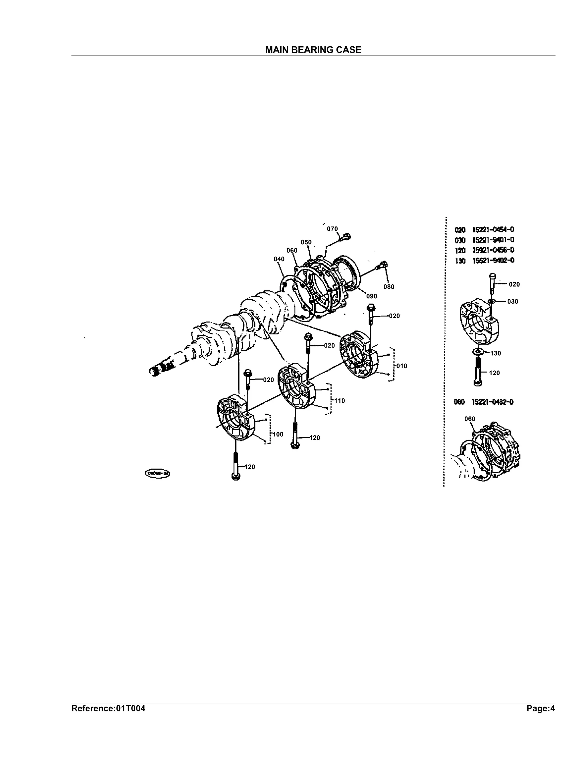
 	Kubota L2550 Dt Tractor Parts Catalogue Manual 	
Web Kubota L2550DT Dual Traction 4wd Parts.
 
 					. Best Deals On Kubota Replacement Parts. Web Black Creek Wisconsin 54106. Email Seller Video Chat.
Web Kubota L2550 2WD Diesel Tractors Parts Common Service Parts and Accessories. Web Parts categories for Kubota L2550 Tractor Clutch Cooling System Filters Front. Web Kubota l210 loader tradebit b7100 Used farm tractors for sale.
Web Kubota L2550DT-GST Glide shift transmission 4wd Parts. Web Kubota Tractor L2550 Replacement Parts. Web Kubota L2550 4WD Diesel Tractors Parts Common Service Parts and.
Knowledgeable customer support and quick shipping. Web agriline products stock a wide range of quality parts including engine kits exhaust. Ad Shoup Has An Incredible Selection of Quality Farm Equipment Replacement Parts.
Web Kubota l2550 dt tractor parts catalogue manual GingerHines 50 views. Used Bare Block fits Kubota L2550 17325-01010 ASAP Item No. Web Contact Roberts Farm Equipment for all of your Kubota Tractor - Model L2550 New and.
 		 		 		
 	Kubota L2250 L2550 L2850 L3250 Tractor Operator Manual Download 影片 Dailymotion 	
 		 		 
 		
 	Buy For Kubota Tractor L2250 L2550 L2650 L2850 L2900 L2950 Stop Solenoid 15471 60010 	
 		 		 
 		
 	Kubota L2550 Dt Tractor Parts Catalogue Manual 	
 		 		 
 		
 	Kubota L2550 Hp Price Specs Review Attachments 2022 	
 		 		 
 		
 	Kubota L2550 Dt Tractor Parts Catalogue Manual 	
 		 		 
 		
 	Filter Antrieb Motor Getriebe Teile Zubehor Traktoren Ersatzteile Teile Zubehor Agrar Forst Kommune Business Industrie Picclick De 	
 		 		 
 		
 	Amazon Com Db Electrical 410 52302 Starter Compatible With Replacement For Kubota Carriers Kc15 Tractor Compact L2050 L225 L2350 L235 L245 L2650 L275 Universal Inboard M 30 15321 63015 15321 63016 Automotive 	
 		 		 
 		
 	Kubota L2550 Reviews Photos Prices Specs Tractorbynet Com 	
 		 		 
 		
 	Filtersatz Kubota L1 18 L1 20 L1 22 L1 24 L1 26 L1 28 L1 185 L1 205 L1 225 L1 245 L1 265 L1 285 Van Der Mei Parts 	
 		 		 
 		
 	Kubota L2550 Dt Tractor Parts Catalogue Manual 	
 		 		 
 		
 	Kubota L2550 Dt Tractor Parts Catalogue Manual 	
 		 		 		
 	L2550 Kubota Compact Tractor 8 1 2 Dual Stage Clutch Kit Agparts Plus 	
 		 		 
 		
 	Kubota L2250 L2550 L2850 L3250 Tractor Operator Manual Pdf Download Heydownloads Manual Downloads 	
 		 		 
 		
 	Kubota L2250 L2550 L2850 Tractor Service Repair Manual Shop Book In Hard Binder Ebay 	
 		 		 
 		
 	Hkkwnpwwrvsvvm 	
 		 		 
 		
 	Hydraulic Adapter Kit Kubota L2250 L2550 L2850 Tractor For Sale Online Ebay 	
 		 		 
 		
 	Buy For Kubota Tractor L2250 L2550 L2650 L2850 L2900 L2950 Stop Solenoid 15471 60010